上海国特阀门CCF41、CF11、UFS汽水分离器为压力容器结构碳钢或不锈钢设备,对蒸汽中含有空气的情况,上部设计了排空气口。最高分离效率(干燥度可达到99%)最低压降(约为千分之五),结构按压力容器规范设计。
【产品名称:汽水分离器】
【产品型号:CCF41、CF11、UFS、AS7、AS8】
上海国特阀门CCF41、CF11、UFS汽水分离器使蒸汽或压缩空气在流动中突然改变方向,将蒸汽或压缩空气中含有的水滴分离出来,减少蒸汽或压缩空气中的含水量。分离出的水滴集聚在分离器下面,通过另配的疏水阀排出。汽水分离器能保证用汽设备所用蒸汽或空中的干燥性,提高用汽设备的工作效率,延长设备的使用寿命。
【产品介绍】:
上海国特阀门CCF41、CF11、UFS汽水分离器为压力容器结构碳钢或不锈钢设备,对蒸汽中含有空气的情况,上部设计了排空气口。最高分离效率(干燥度可达到99%)最低压降(约为千分之五),结构按压力容器规范设计。
【工作原理】:
CCF41、CF11、UFS汽水分离器是当大量含水的蒸汽进入汽水分离器,并在其中以离心向下倾斜式运动。夹带的水份由于速度的降低而被分离出来。被分离出来的液体流入下部经疏水阀排出体外,干燥清洁的蒸汽从分离器出口排出。
【产品特点】:
1、根据汽压、水压变化可自动调节进汽量,克服了振动、噪音等缺陷。
2、利用蒸汽升温的同时,可实现增压,大大减小水泵电机功率,达到节能的目的。
3、节能、热效率高。蒸汽得以充分利用,与传统换热系统相比,热效率达100%,节约蒸汽20%以上。
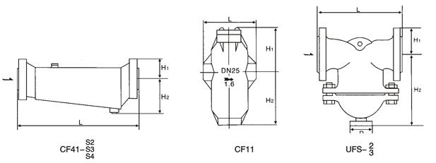
【产品外形尺寸】:

产品型号 | 公称通径 (DN) | 连接方式 | 使用压力 | 最高允许温度(℃) | 外形尺寸(mm) | |||
L | H1 | H2 | D | |||||
CF41 | 20~32 | 法兰 | 0.01~2.5 | 350 | 320 | 65 | 120 | 螺纹 |
CF41 | 40~65 | 法兰 | 0.01~2.5 | 350 | 455 | 90 | 150 | 螺纹 |
UFS2 | 80~100 | 法兰 | 0.01~2.5 | 350 | 400 | 107 | 320 | DN25 |
UFS3 | 150~200 | 法兰 | 0.01~2.5 | 350 | 450 | 150 | 320 | DN25 |
CF11 | 25~50 | 螺纹 | 0.01~2.5 | 350 | 130 | 115 | 155 | 螺纹 |
UFS4 | 250~300 | 法兰 | 0.01~2.5 | 350 | ||||
【AS7、AS8】:


联系人:张厂长
手 机:13858880658
邮 箱:
公 司:温州精洲管件法兰有限公司官方网站
地 址: